天气预报:

西青区气象台07时发布:今天白天晴间多云转晴,北风4~5级阵风6~7级转3~4级,最高气温5℃;今天夜间晴间多云,北风1~2级,最低气温-2℃。

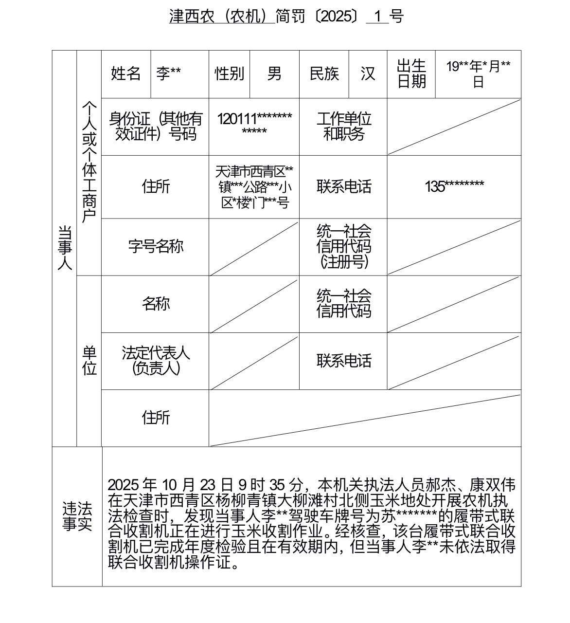
天津市西青区农业农村委员会当场行政处罚决定书

发布日期:2025-10-24 来源:天津市西青区农业农村委员会
字号

本行政处罚决定作出前,本机关执法人员已向你出示执法证件,告知你拟作出的行政处罚内容及事实、理由、依据,并告知你有权进行陈述和申辩。

处罚地点:天津市西青区杨柳青镇大柳滩村北地头

执法人员:郝杰        执法证件号:02000919001

执法人员:康双伟    执法证件号:02000919014


天津市西青区农业农村委员

2025年10月23日

扫一扫在手机打开当前页

主办单位: 天津市西青区人民政府 版权所有  备案单位: 天津市西青区人民政府办公室

网站标识码:1201110001 津ICP备12005437号-1  津公网安备 12011102000289号

地址: 天津市西青区杨柳青府前街2号  邮编: 300380 联系我们

违法和不良信息举报电话:27392579  邮箱: xiqingxxgk@126.com

wzalogo_06.png

主办单位: 天津市西青区人民政府 版权所有

备案单位: 天津市西青区人民政府办公室

网站标识码:1201110001 津ICP备12005437号-1

津公网安备 12011102000289号

地址: 天津市西青区杨柳青府前街2号

邮编: 300380 联系我们

违法和不良信息举报电话:27392579

邮箱: xiqingxxgk@126.com

wzalogo_06.png